
Artikel mit Schlagwort Fox
Filter
Viken Ladegerät 48V mit einem 3 Pin für Kinderquad mit 1000 Watt 48V
* Inkl. MwSt. zzgl. Versandkosten
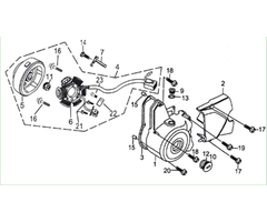
Actionbikes Kinder Elektro Miniquad Fox XTR Verkleidung Scheinwerfer
* Inkl. MwSt. zzgl. Versandkosten

























